Tính năng VIGLACERA V26 – Chậu rửa mặt lavabo đặt bàn
- Thiết kế để đặt trên bàn hoặc mặt đá, giúp cho việc lắp đặt và tháo lắp trở nên đơn giản hơn.
- Tích hợp vị trí gắn vòi chậu trên thành chậu, tiện lợi cho việc sử dụng và vệ sinh.
- Chất liệu sứ cao cấp, với lớp men Nano Titan siêu mịn, giúp tăng độ bền, độ cứng và chống trầy xước.
Với công nghệ men Nano nung được pha trực tiếp vào men sống và phun lên sản phẩm mộc. Trải qua quá trình nung ở nhiệt độ hơn 1000 độ C, men NANO được thủy tinh hóa trên bề mặt men của sản phẩm sứ vệ sinh, lớp men sứ sẽ siêu bền mãi mãi với thời gian và tăng độ sáng trắng của sản phẩm.
Sản phẩm được sản xuất trên dây chuyền công nghệ hiện đại, ứng dụng những công nghệ tiên tiến, quy trình sản xuất sản phẩm chặt chẽ cho tới khi hoàn thành ra sản phẩm cuối cùng
Chậu rửa mặt đặt bàn đá Viglacera V26 được phủ một lớp men sứ với công nghệ men chống dính, giúp tăng độ sáng bóng lên 20%, tăng độ trơn láng lên tới 30%, ngăn ngừa nấm mốc và vi khuẩn, chống ố bám, an toàn và thân thiện với môi trường.
Thông số kỹ thuật VIGLACERA V26 – Chậu rửa mặt lavabo đặt bàn
- Loại sản phẩm : Chậu rửa Lavabo đặt trên bàn đá.
- Màu sắc : Màu trắng
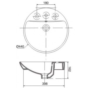
- Kích thước : 440x440x162 mm (DxR)
- Kiểu dáng : Lavabo đặt bàn
- Công nghệ : Italy
- Nơi sản xuất : Việt Nam
- Không bao gồm chặn sứ
- Không bao gồm phụ kiên( vòi, bộ xả…)
- Bảo hành : 10 năm phần sứ, 3 năm phụ kiện
- Men Nano nung: Diệt khuẩn, chống bám dính
Bản vẽ kích thước VIGLACERA V26 – Chậu rửa mặt lavabo đặt bàn

Hình ảnh, video thực tế VIGLACERA V26 – Chậu rửa mặt lavabo đặt bàn
Đang cập nhật…
Danh mục liên quan: thiết bị vệ sinh , Chậu lavabo, ,chậu lavabo đặt bàn,Chậu lavabo VIGLACERA, chậu lavabo đặt bàn VIGLACERA.
















